Mazda BT 50 & Pickup Trucks While Mazda may not be known for their trucks, they have always produced quality reliable trucks for both hauling cargo, or simply crusing. BT 50

1988 Mazda B2200 Flasher

Thread Tools
 
Search this Thread
 
Old Feb 8, 2026 | 12:41 PM
  #1  
rag bag's Avatar
Thread Starter
|
Junior Member
Joined: Oct 2025
Posts: 4
Likes: 0
Default 1988 Mazda B2200 Flasher

My left turn signal works front and back and my right turn signal works front and back but my hazard lights only flash on the left side. Is there a separate flasher for hazard lights that needs replacing? Sorry for the simple question but I have yet to find a repair manual for my truck so any advice on that would also be helpful. thank you
 
Reply
Old Feb 9, 2026 | 08:36 AM
  #2  
Cusser's Avatar
Senior Member
Joined: Mar 2007
Posts: 1,159
Likes: 2
From: Arizona
Default

Originally Posted by rag bag
Is there a separate flasher for hazard lights that needs replacing?
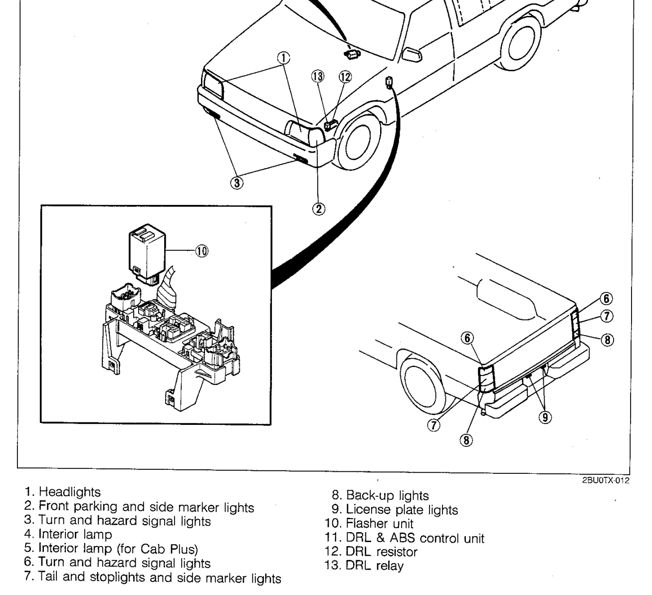
Just one flasher unit; factory one is green, under dash, driver side. Look at the diagram below, sounds like an issue in the headlight part of the combination switch.





 
Reply
Old Feb 9, 2026 | 10:00 AM
  #3  
rag bag's Avatar
Thread Starter
|
Junior Member
Joined: Oct 2025
Posts: 4
Likes: 0
Default

Thank you Cusser!
 
Reply
Related Topics
Thread
Thread Starter
Forum
Replies
Last Post
Ben b2200
Mazda BT 50 & Pickup Trucks
3
May 15, 2025 08:36 AM
Cusser
Mazda BT 50 & Pickup Trucks
1
Aug 15, 2023 06:08 PM
Snuffi12345
Mazda BT 50 & Pickup Trucks
9
Oct 25, 2020 04:11 PM
mharris6165
Mazda 323,Mazda 626 & Mazda 929
1
Jul 1, 2014 05:43 AM
Daryl
Mazda BT 50 & Pickup Trucks
1
Jul 11, 2007 12:10 AM




All times are GMT -5. The time now is 03:04 PM.